Separator de hidrocarburi cu decantor de namol inclus din beton
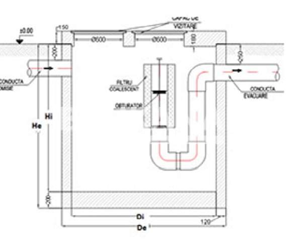
Separatoare de hidrocarburi din beton armat, cu decantor de namol inclus si filtre de coalescenta.
Caracteristicile produsului:
Material: beton armat
Suprafetele exterioare si interioare acoperite cu straturi de vopsea pe baza de rasini epoxidice.
Se monteaza ingropat, fara ancorare.
Instalatia de separare este prevazuta cu filtre de coalescenta pentru a asigura separarea eficienta a hidrocarburilor din apa si obturator automat pentru a preveni scurgerea de hidrocarburi pe conducta de iesire din separator.
Echipament specializat pentru fitrarea apelor reziduale contaminate cu subproduse petroliere, uleiuri minerale sau emulsii usoare de origine petroliera.
Domenii de activitate unde sunt necesare separatoarele de hidrocarburi:
- service auto
- spalatorie auto
- fabrici
- dezmembrari auto
- societati comerciale care prin activitatea lor genereaza ape uzate contaminate cu substante de origine petroliera
- etc
In cazul in care nu stiti ce echipament se potriveste cel mai bine nevoilor dvs. va stam la dispozitie cu informatii de la cei mai mari experti in domeniu. Asteptam telefonul sau email-ul dvs. si impreuna gasim cea mai buna solutie.


